VSF VÝBĚROVÝ VENTIL 2-CESTNÝ

1 / 3
+-3 dalších
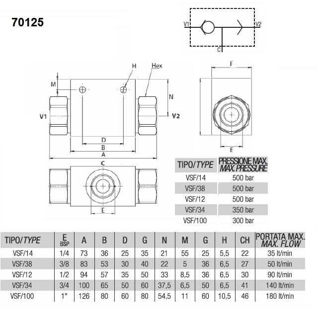
Varianty 335.1000.000; Provozní tlak (bar) 500, Vnitřní závit 3x 1/4, Ventil Kulička, Hmotnost (kg) 0,6, Šestihran 22, Kóta A 73, Typ 35 l/min.
Do košíku
0 Kč
0 Kč bez DPH
Funkce: Kulička ventilu se automaticky přesune dle vyššího tlaku z jedné strany P na druhou, do výstupu ozn. "V" vždy proudí médium z jedné strany (např. pro rozdílné rychlosti výsuvu pístnice nebo pro automatickou volbu vyššího tlaku větve).
Materiál produktu
Lakovaná ocel
DVOJČINNÝ VENTIL VODE /805 FL
4/2 přírubový ventil k řízení pohybu a blok. pohonu, 350 Bar
0 Kč 0 Kč bez DPH Do košíku
Provozováno na platformě Ebenit
STATUS_IS__APP_RUNNING