O-CLIP TRUBKOVÁ SPONA W4

1 / 4
+-2 dalších
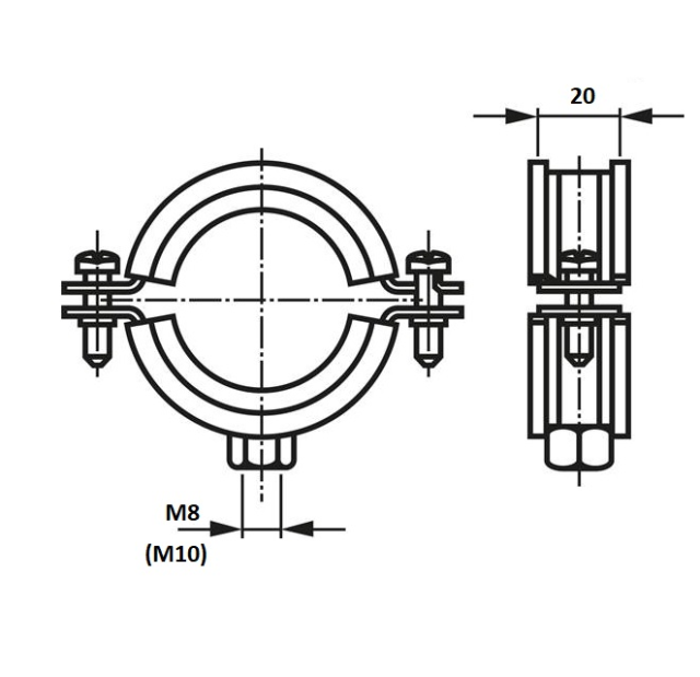
Varianty 011/14-OCLIP20M8-W4; Vnitřní závit M8, Šířka pásku (mm) 20, Hmotnost (kg) 0,043, Určeno na hadici [mm] 11-14, Provedení 900 N
Do košíku
0 Kč
0 Kč bez DPH
Úchytky jsou určeny pro držení hadic, trubek nebo kabeláže.Klipy s gumovou podšívkou lemovaných pryží EPDM.Trubková spona se před montáží trubky odklopí směrem do strany pro snadné vložení trubky.Spolehlivou aretací je možné trubku předběžně částečně namontovat a před utažením spony později přesně seřídit.Maximální klidovou únosnost uvádí tabulka, kde jde o jednotku Newton (90 Kg).Používají se také pro odhlučnění (ochrana proti hluku) dle DIN 4109.
Materiál produktu
W4 - nerez DIN 1.4404
KOMBI ŠROUB (TORX / NEREZ)
Hmoždinkový šroub pro trubkovou sponu 33689
0 Kč 0 Kč bez DPH Do košíku
Provozováno na platformě Ebenit
STATUS_IS__APP_RUNNING