MANOMETR GLYCERINOVÝ DN 100
MMG100-5Z; Provozní tlak (bar) -1/+5, Vnější závit G 1/2", DN (mm) 100, Hmotnost (kg) 0,9, Provedení Zadní připojení
MMG100-6Z; Provozní tlak (bar) 0-6, Vnější závit G 1/2", DN (mm) 100, Hmotnost (kg) 0,9, Provedení Zadní připojení
MMG100-16Z; Provozní tlak (bar) 0-16, Vnější závit G 1/2", DN (mm) 100, Hmotnost (kg) 0,9, Provedení Zadní připojení
MMG100-25Z; Provozní tlak (bar) 0-25, Vnější závit G 1/2", DN (mm) 100, Hmotnost (kg) 0,9, Provedení Zadní připojení
MMG100-160Z; Provozní tlak (bar) 0-160, Vnější závit G 1/2", DN (mm) 100, Hmotnost (kg) 0,9, Provedení Zadní připojení
MMG100-(-1)3S-1/4; Provozní tlak (bar) -1/+3, Vnější závit G 1/4", DN (mm) 100, Hmotnost (kg) 0,9, Provedení Spodní připojení
MMG100-(-1)3S-1/2; Provozní tlak (bar) -1/+3, Vnější závit G 1/2", DN (mm) 100, Hmotnost (kg) 0,9, Provedení Spodní připojení
MMG100-(-1)5S-1/2; Provozní tlak (bar) -1/+5, Vnější závit G 1/2", DN (mm) 100, Hmotnost (kg) 0,9, Provedení Spodní připojení
MMG100-(-1)5S-M20; Provozní tlak (bar) -1/+5, Vnější závit M20x1,5, DN (mm) 100, Hmotnost (kg) 0,9, Provedení Spodní připojení
MMG100-(-1)3S-M20; Provozní tlak (bar) -1/+3, Vnější závit M20x1,5, DN (mm) 100, Hmotnost (kg) 0,9, Provedení Spodní připojení
MMG100-6S; Provozní tlak (bar) 0-6, Vnější závit G 1/2", DN (mm) 100, Hmotnost (kg) 0,9, Provedení Spodní připojení
MMG100-10S; Provozní tlak (bar) 0-10, Vnější závit G 1/2", DN (mm) 100, Hmotnost (kg) 0,9, Provedení Spodní připojení
MMG100-10S-M20x1,5; Provozní tlak (bar) 0-10, Vnější závit M20x1,5, DN (mm) 100, Hmotnost (kg) 0,9, Provedení Spodní připojení
MMG100-16S; Provozní tlak (bar) 0-16, Vnější závit G 1/2", DN (mm) 100, Hmotnost (kg) 0,9, Provedení Spodní připojení
MMG100-16S-M20x1,5; Provozní tlak (bar) 0-16, Vnější závit M20x1,5, DN (mm) 100, Hmotnost (kg) 0,9, Provedení Spodní připojení
MMG100-250S/M20x1,5; Provozní tlak (bar) 0-250, Vnější závit M20x1,5, DN (mm) 100, Hmotnost (kg) 0,9, Provedení Spodní připojení
MMG100 -25S; Provozní tlak (bar) 0-25, Vnější závit G 1/2", DN (mm) 100, Hmotnost (kg) 0,9, Provedení Spodní připojení
MMG100-60S; Provozní tlak (bar) 0-60, Vnější závit G 1/2", DN (mm) 100, Hmotnost (kg) 0,9, Provedení Spodní připojení
MMG100-250S; Provozní tlak (bar) 0-250, Vnější závit G 1/2", DN (mm) 100, Hmotnost (kg) 0,9, Provedení Spodní připojení
MMG100-400S/M20x1,5; Provozní tlak (bar) 0-400, Vnější závit M20x1,5, DN (mm) 100, Hmotnost (kg) 0,9, Provedení Spodní připojení
MMG100-400S; Provozní tlak (bar) 0-400, Vnější závit G 1/2", DN (mm) 100, Hmotnost (kg) 0,9, Provedení Spodní připojení
MMG100-600S; Provozní tlak (bar) 0-600, Vnější závit G 1/2", DN (mm) 100, Hmotnost (kg) 0,6, Provedení Spodní připojení
MMG100-600S/M20x1,5; Provozní tlak (bar) 0-600, Vnější závit M20x1,5, DN (mm) 100, Hmotnost (kg) 0,9, Provedení Spodní připojení
MMG100-1000S/M20x1,5; Provozní tlak (bar) 0-1000, Vnější závit M20x1,5, DN (mm) 100, Hmotnost (kg) 0,9, Provedení Spodní připojení
MMG100-250Z; Provozní tlak (bar) 0-250, Vnější závit G 1/2", DN (mm) 100, Hmotnost (kg) 0,9, Provedení Zadní připojení
MMG100-40Z; Provozní tlak (bar) 0-40, Vnější závit G 1/2", DN (mm) 100, Hmotnost (kg) 0,9, Provedení Zadní připojení
MMG100-250S/M20x1,5; Provozní tlak (bar) 0-250, Vnější závit M20x1,5, DN (mm) 100, Hmotnost (kg) 0,9, Provedení Spodní připojení
MMG100-40S-M20x1,5; Provozní tlak (bar) 0-40, Vnější závit M20x1,5, DN (mm) 100, Hmotnost (kg) 0,9, Provedení Spodní připojení
MMG100-160S; Provozní tlak (bar) 0-160, Vnější závit G 1/2", DN (mm) 100, Hmotnost (kg) 0,9, Provedení Spodní připojení
MMG100-(0-1.6)Z; Provozní tlak (bar) 0-1.6, Vnější závit G 1/2", DN (mm) 100, Hmotnost (kg) 0,9, Provedení Zadní připojení
MMG100-(-1)1,5S-1/2; Provozní tlak (bar) -1/+1,5, Vnější závit G 1/2", DN (mm) 100, Hmotnost (kg) 0,9, Provedení Spodní (vakuový)
MMG100-1,6S; Provozní tlak (bar) 0-1,6, Vnější závit G 1/2", DN (mm) 100, Hmotnost (kg) 0,9, Provedení Spodní připojení
MMG100(-1)-0Z+TH; Provozní tlak (bar) -1/0, Vnější závit G 1/2", DN (mm) 100, Hmotnost (kg) 0,9, Provedení Zadní připojení
MMG100-(-1)0S-1/G; Provozní tlak (bar) -1/0, Vnější závit G 1/2", DN (mm) 100, Hmotnost (kg) 0,9, Provedení Spodní připojení
MMG100-(-1)-0Z; Provozní tlak (bar) -1/0, Vnější závit G 1/2", DN (mm) 100, Hmotnost (kg) 0,9, Provedení Zadní připojení
MMG100-600Z; Provozní tlak (bar) 0-250, Vnější závit G 1/2", DN (mm) 100, Hmotnost (kg) 0,9, Provedení Zadní připojení
Do košíku
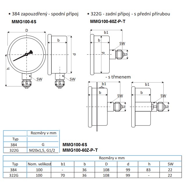
Glycerinový manometr pro hydrauliku, D=100 mm, spodní nebo zadní připojení. Třída přesnosti tohoto typu je 1,6%. Glycerinová náplň usnadňuje odečtení měřeného tlaku.Pro měření tlaku vzduchu, vody, oleje a neagresivních látek. Otřesuvzdorné manometry s vodotěsným pouzdrem jsou určeny do těžších podmínek, kdy na manometr působí vibrace, vlhkost a jiné ztěžující podmínky.
0 Kč
0 Kč
bez DPH
Do košíku
0 Kč
0 Kč
bez DPH
Do košíku
0 Kč
0 Kč
bez DPH
Do košíku
0 Kč
0 Kč
bez DPH
Do košíku
0 Kč
0 Kč
bez DPH
Do košíku
0 Kč
0 Kč
bez DPH
Do košíku
0 Kč
0 Kč
bez DPH
Do košíku
0 Kč
0 Kč
bez DPH
Do košíku