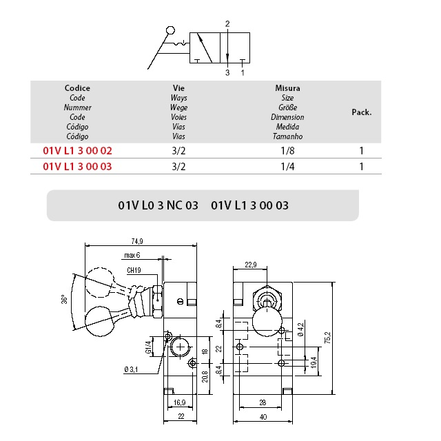
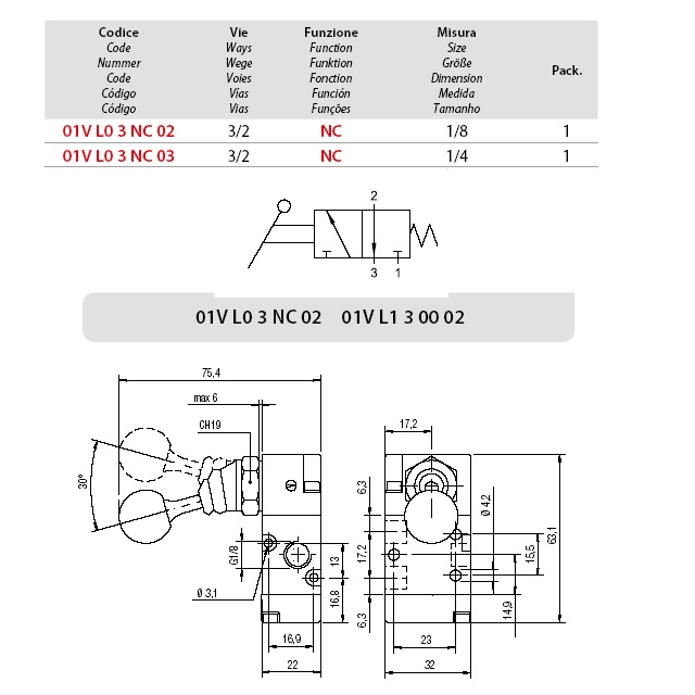
01VL-3/2 - RUČNÍ VENTIL

1 / 3
+-3 dalších
Varianty 01VL03NC02; Provozní tlak (bar) 0-10, Vnitřní závit G 1/8", Ventil NC - normálně zavřeno, Hmotnost (kg) 0,14
Do košíku
0 Kč
0 Kč bez DPH
Monostabilní ventil bez aretace (NC-normálně uzavřen) slouží pro přímé ovládání tlakovým vzduchem (posunem páčky zapnuto). Po uvolnění páčky vnitřní pružina vše vrací do výchozí polohy.Bistabilní ventil s aretací (00-není stanoveno) slouží pro přímé ovládání tlakovým vzduchem (posunem páčky zapnuto). Zůstává v požadované poloze, dokud nepřijde druhý signál, ventil je ovládán oboustranně.Slouží k ovládání pneumatických válců nebo ovládání jiných pneumatických mechanismů.
Médium
Stlačený vzduch, filtrovaný
01V-5/3 RUČNÍ VENTIL
Jednostranný ruční ventil, bez aretace
0 Kč 0 Kč bez DPH Do košíku
01VL-5/2 RUČNÍ VENTIL
Ruční jednostranný a oboustranný ventil s páčkou
0 Kč 0 Kč bez DPH Do košíku
Provozováno na platformě Ebenit
STATUS_IS__APP_RUNNING